কির্শফের সূত্র
হল বিভব কী?
AC, DC অপেক্ষা বিপদজনক কেন? ব্যাখ্যা করো।
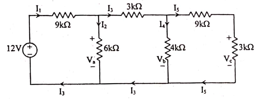
i1_11, i₂ ও i₃ নির্ণয় করো।
রোধগুলোর মধ্যে সম্পর্ক কেমন হলে মিলিঅ্যামিটারের পাঠ শূন্য হবে? গাণিতিকভাবে ব্যাখ্যা করো।
Ai এর মাধ্যমে
১০ লক্ষ+ প্রশ্ন ডাটাবেজ
প্র্যাকটিস এর মাধ্যমে নিজেকে তৈরি করে ফেলো
উত্তর দিবে তোমার বই থেকে ও তোমার মত করে।
সারা দেশের শিক্ষার্থীদের মধ্যে নিজের অবস্থান যাচাই
কার্শফের সূত্র অনুসারে-
i. ΣIR=ΣE \Sigma \mathrm{IR}=\Sigma \mathrm{E} ΣIR=ΣE
ii. ∑IR=0 \sum \mathrm{IR}=0 ∑IR=0
iii. ΣI=0 \Sigma \mathrm{I}=0 ΣI=0
নিচের কোনটি সঠিক?